Ö÷ÒªÉèÖÃ
|
Ö÷ÒªÉèÖà |
|||
|
²ÎÊý |
ÐͺŠ|
||
|
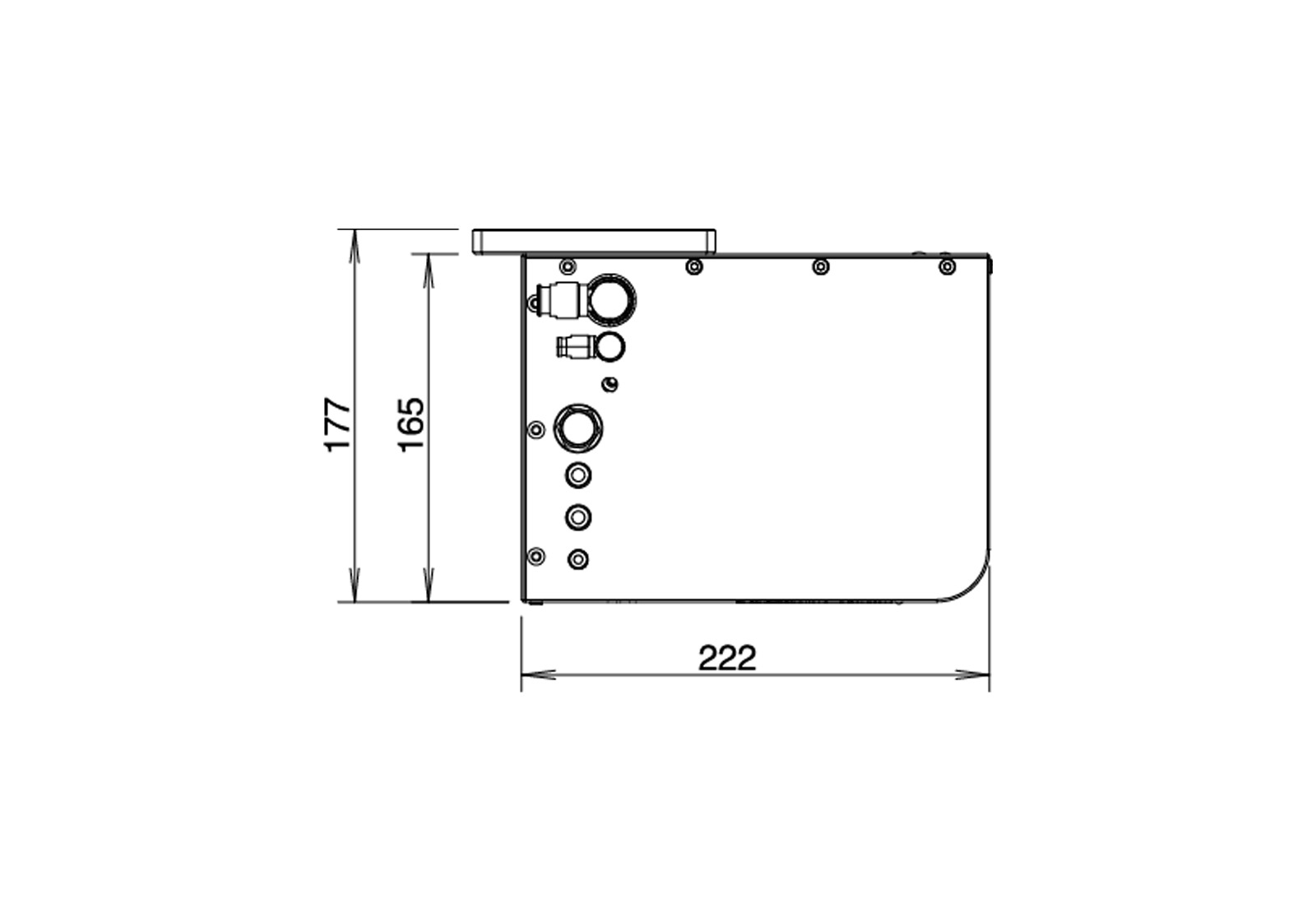
FalconScan-30 |
|||
|
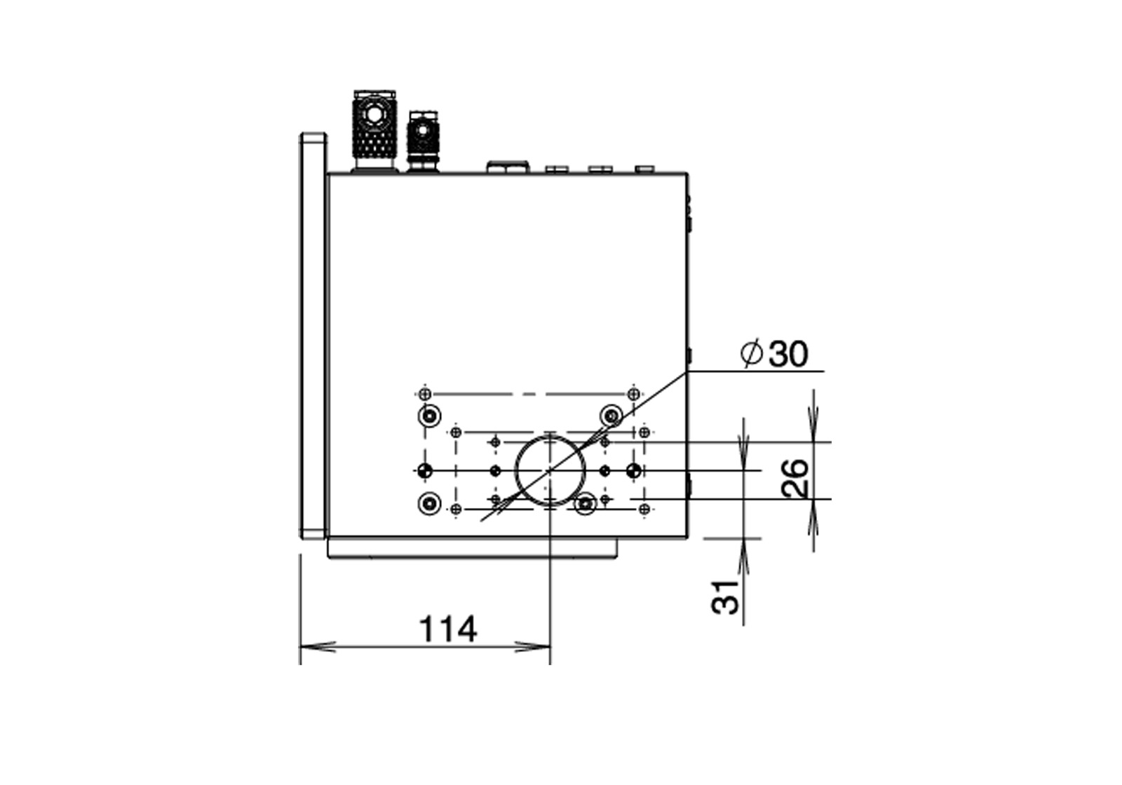
ÈëÉä¹â°ß |
30mm |
||
|
×·ËæÎó²î |
0.53ms |
||
|
ÖØ¸´¾«¶È |
<1μrad |
||
|
ÁãÎ»Æ¯ÒÆ |
<15μrad/KÎÞË®Àä / <10μrad/KÓÐË®Àä | ||
| ÔöÒæÆ¯ÒÆ |
<8ppm/K |
||
| 8Ð¡Ê±Æ¯ÒÆ |
<0.04mrad |
||
| 1%È«ÐÐ³Ì |
1.2ms |
||
| 10%È«ÐÐ³Ì |
4.2ms |
||
|
¼Ó¹¤ËÙÂÊ |
0.7m/s | ||
|
¶¨Î»ËÙÂÊ |
3m/s | ||
|
С×Ö·ûËÙÂÊ |
High quality 130cps / Good quality 200cps | ||
| ɨÃè½Ç¶È |
±0.35rad |
||
| ÔöÌíÎó²î |
<5mrad |
||
| ÁãλÎó²î |
<5mrad |
||
|
¶¨Î»ÔëÉùRMS |
<1μrad | ||
| ·ÇÏßÐÔ¶È |
<0.1% |
||
|
¹©µçµçÔ´ |
±15V DC£¬≥5A | ||
|
ͨѶ½Ó¿Ú |
XY2-100 Enhanced£»JCZ24-100 |
||
| ÊÂÇéÎÂ¶È |
25±10¡æ |
||
|
ÀäÈ´·½·¨ |
Ë®Àä»ò·çÀä | ||
*×¢: µä·¶²ÎÊý£¬¿ÉÒÔÆ¾Ö¤¹¤ÒÕÐèÇó×÷¶¨ÖƵ÷У
µä·¶Ó¦ÓÃ
FalconScanº¸½ÓÕñ¾µ¿ÉÓÃÓÚÐÂÄÜԴ﮵硢3Cµç×Ó¡¢°×³µÉíº¸½Ó¡¢Ë«¼«°åº¸½Ó¡¢±âÏßµç»úµÈ¡£





*×¢: ²¿·ÖÍ¼Ô´ÍøÂ磬ÈôÓÐÇÖȨ£¬Çë¼û¸æÉ¾³ý
ÁªÏµabgÅ·²©
ÌìÏÂͳһ·þÎñÈÈÏß
µç»°£º010-64426993
ÓÊÏ䣺market@bjjcz.com
¶þ´Î¿ª·¢ÓÊÏ䣺 dev@bjjcz.com
·µÐÞ£º±±¾©ÊÐ˳ÒåÇø±±ÎñÕòÃñ̩·13ºÅÔº15ºÅÂ¥4²ã
¹ÉƱ´úÂ룺688291
΢ÐŹ«ÖÚºÅ
¶¶ÒôÆóÒµºÅ
·þÎñÖ§³Ö
abgÅ·²©
µØÖ·£º±±¾©ÊÐ˳ÒåÇø±±ÎñÕòÃñ̩·13ºÅÔº22ºÅÂ¥
ËÕÖÝabgÅ·²©¼¤¹âÊÖÒÕÓÐÏÞ¹«Ë¾
µØÖ·£º½ËÕÊ¡ËÕÖÝÊл¢ÇðÇø¿Æ¼¼³ÇÀì½Â·56ºÅ3Â¥
¹ã¶«abgÅ·²©¿Æ¼¼ÓÐÏÞ¹«Ë¾
µØÖ·£º¹ã¶«Ê¡¶«Ý¸ÊÐå¼²½ÕòÈʾÓ·1ºÅËɺþÖǹÈÑз¢ÖÐÐÄA4¶°1002ÊÒ
abgÅ·²©Î人·Ö¹«Ë¾
µØÖ·£ººþ±±Ê¡Î人Êж«ºþ¸ßÐÂÇø´óѧ԰·»ª¹¤¿Æ¼¼Ô°ÏÖ´ú·þÎñÒµ»ùµØ1ºÅÂ¥B×ù1101
°æÈ¨ËùÓÐ ? 2022 abgÅ·²© ¾©ICP±¸18045191ºÅ-1
ÍøÕ¾½¨É裺ÖÐÆó¶¯Á¦ ±±¾©