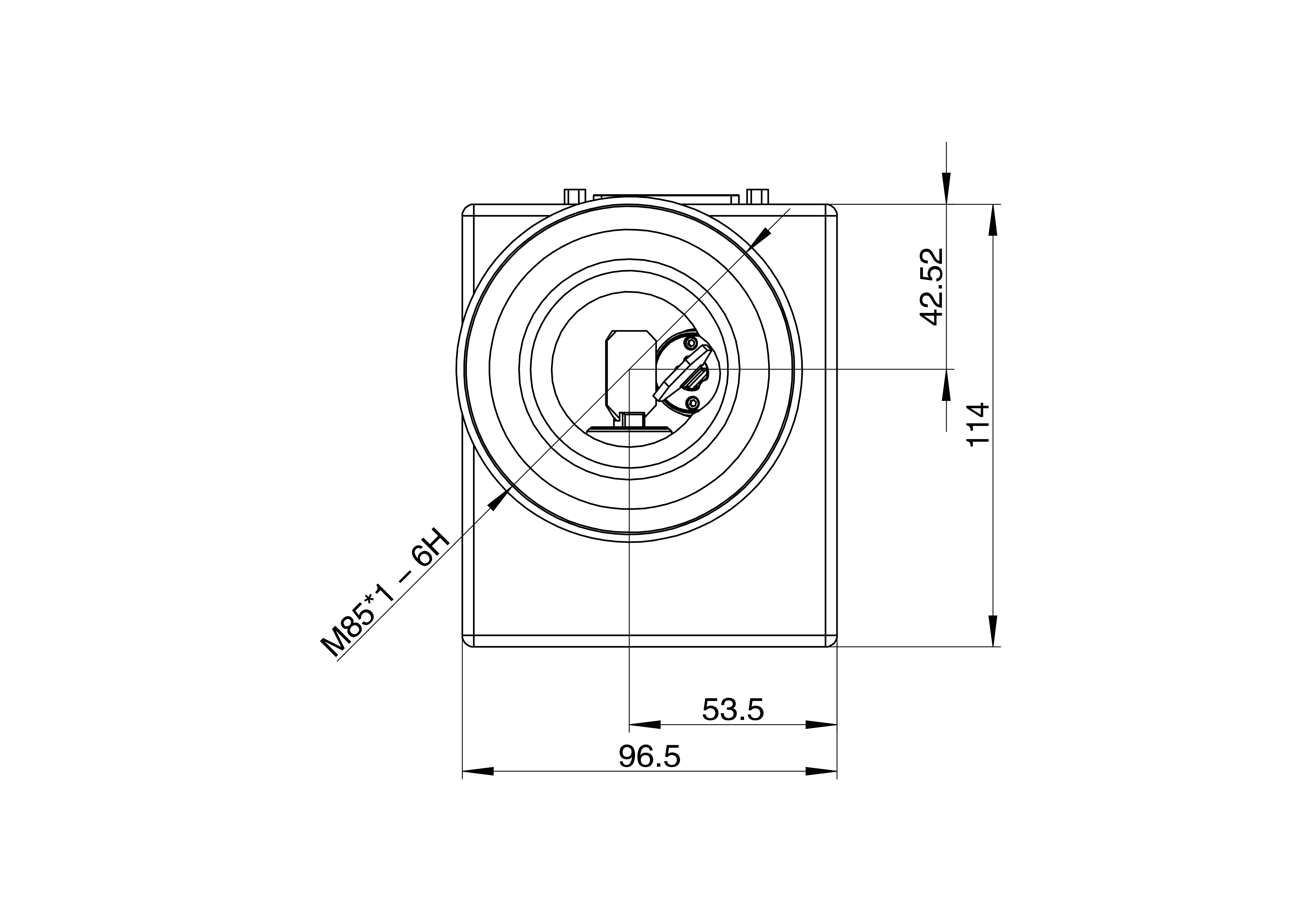
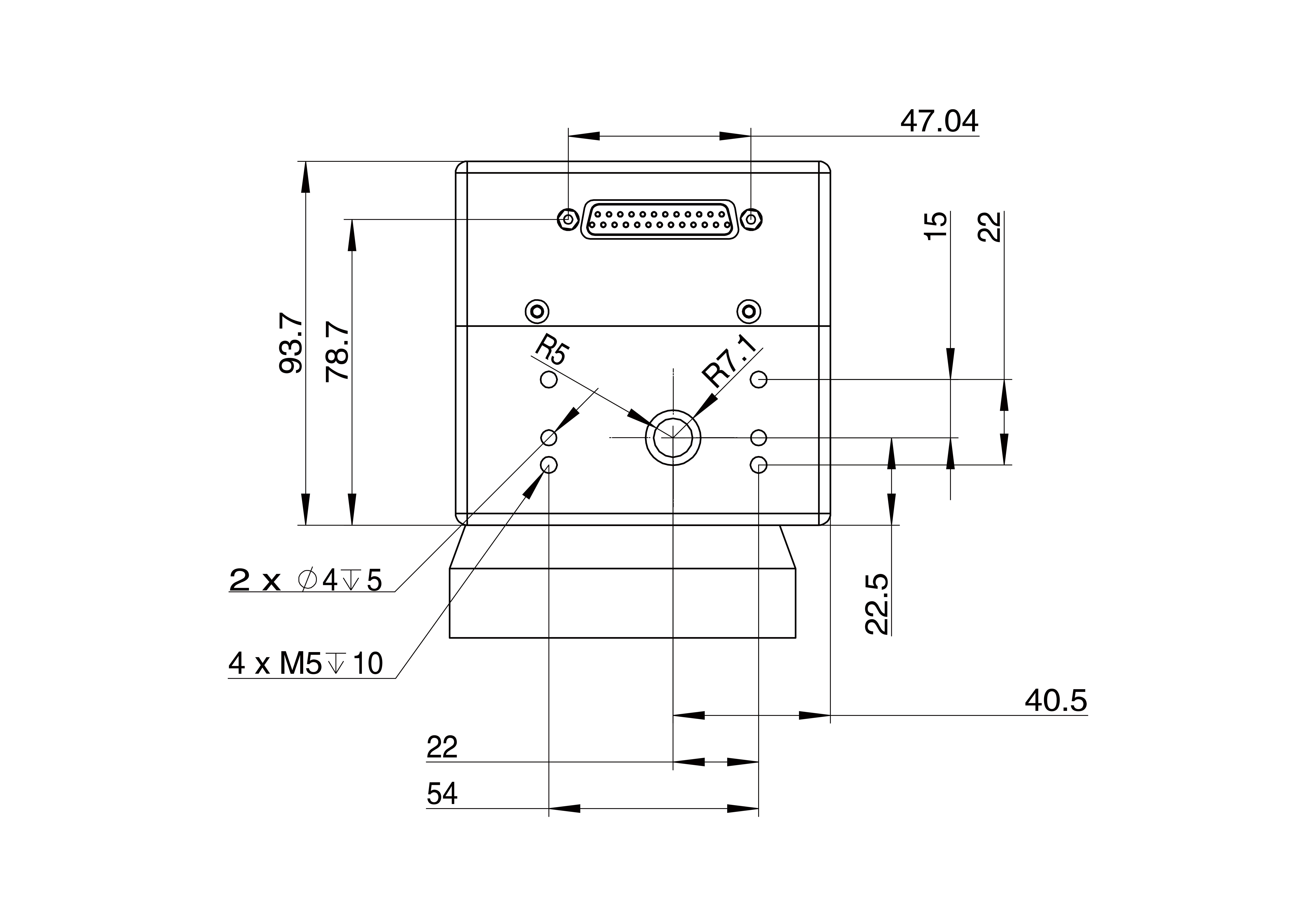
G3 Std振镜
产品信息
典范应用
主要设置
|
主要设置 |
|||
|
参数 |
型号 |
||
|
G3 Std |
|||
|
振镜参数 |
入射光斑 |
10mm |
|
|
追随误差 |
0.11ms |
||
|
标刻速率 |
10000mm/s |
||
|
定位速率 |
16000mm/s |
||
|
1%全行程 |
0.26ms |
||
|
10%全行程 |
0.62ms |
||
|
重复精度 |
< 2µrad |
||
|
增益漂移 |
< 100ppm/K |
||
|
零位漂移 |
< 25µrad/K |
||
|
8小时漂移 |
< 0.15mrad |
||
|
非线性度 |
< 1% |
||
| 扫描角度 |
±0.35rad |
||
|
信号波长 |
通讯协议 |
XY2-100 |
|
|
波长 |
10600nm、1064nm、532nm、 355nm |
||
|
供电参数 |
供电电源 |
±15V DC,3A |
|
|
基本参数 |
重量 |
1800g |
|
|
事情温度 |
25±10℃ |
||
典范应用
G3 Std振镜可用于3C电子、激光洗濯、线缆管材、工艺品、3D打印等。





*注: 部分图源网络,若有侵权,请见告删除
上一个
G3 Ult II振镜
下一个
G3 Base振镜
联系abg欧博
天下统一服务热线
微信公众号
抖音企业号
服务支持
abg欧博
地址:北京市顺义区北务镇民泰路13号院22号楼
苏州abg欧博激光手艺有限公司
地址:江苏省苏州市虎丘区科技城漓江路56号3楼
广东abg欧博科技有限公司
地址:广东省东莞市寮步镇仁居路1号松湖智谷研发中心A4栋1002室
abg欧博武汉分公司
地址:湖北省武汉市东湖高新区大学园路华工科技园现代服务业基地1号楼B座1101
版权所有 ? 2022 abg欧博 京ICP备18045191号-1
网站建设:中企动力 北京