G3-3D振镜
产品信息
典范应用
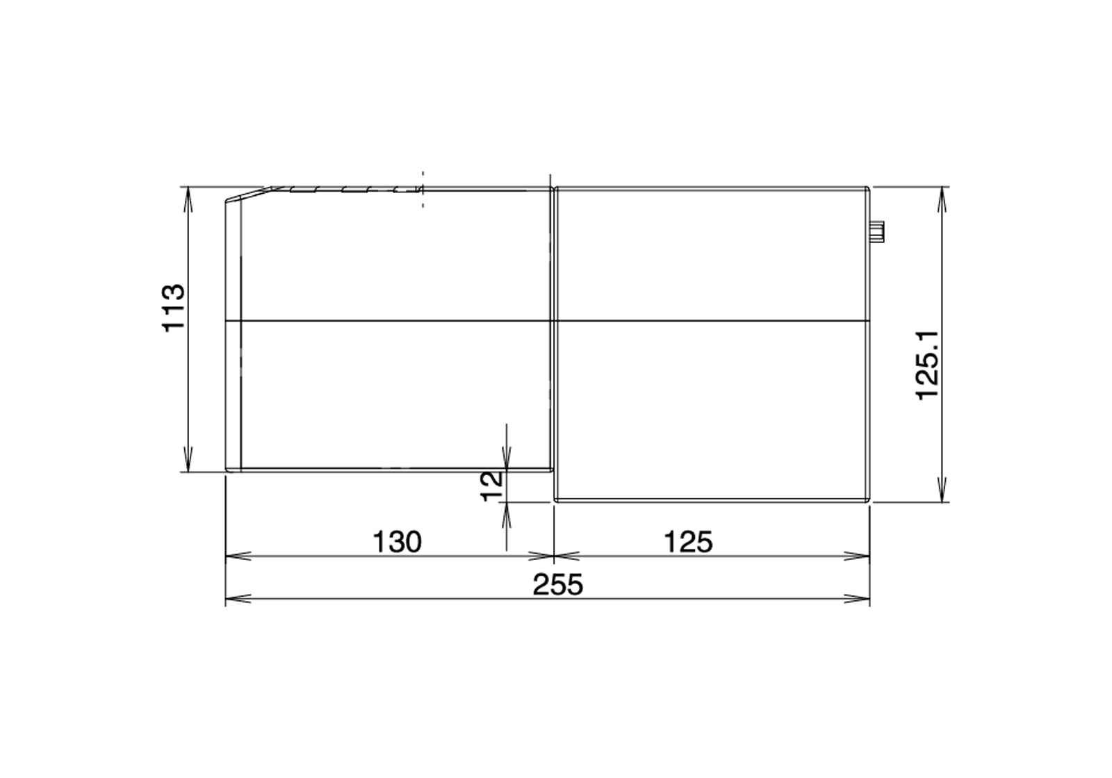
主要设置
- 标刻速率:4000mm/s
- 定位速率:10000mm/s
- 跟踪误差:0.25ms
- 非线性度:<3.5mrad/44°
- 重复精度:<8μrad
- 1%全行程:≤0.4ms
- 增益漂移:<50ppm/K
- 零位漂移:<15μrad/K
- 8小时漂移:<0.3mrad
- 扫描角度:±0.35rad
- 镜片光斑:10mm
- 通讯协议:XY2-100
- 供电电源:±15V DC,3A
- 事情温度:25℃±10℃
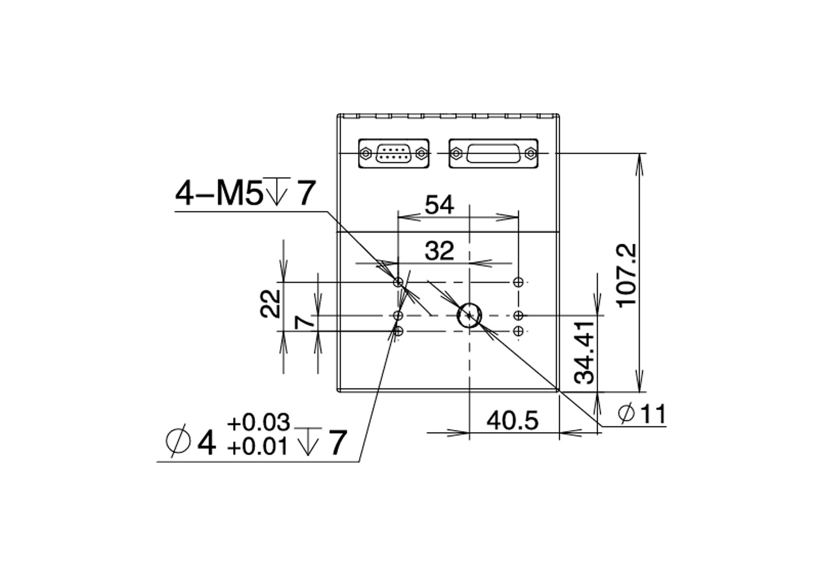
- 波长:1064nm、532nm、355nm
- 扩束比:1.4、1.4、3
- 入射光斑:7mm、7mm、3mm
- 变焦规模:光纤 ±30mm(搭配 F254-174场镜数据)
绿光 ±7mm(搭配F165-115场镜数据)
紫外 ±15mm(搭配F254-175场镜数据) - 加工幅面:150(可替换场镜)
100(可替换场镜)
150(可替换场镜)
典范应用
G3-3D振镜可用于模具加工、曲面标刻、浮雕、深雕、外貌处置惩罚等。





上一个
INVINSCAN 3D振镜
下一个
G3 Ult II振镜
联系abg欧博
天下统一服务热线
微信公众号
抖音企业号
服务支持
abg欧博
地址:北京市顺义区北务镇民泰路13号院22号楼
苏州abg欧博激光手艺有限公司
地址:江苏省苏州市虎丘区科技城漓江路56号3楼
广东abg欧博科技有限公司
地址:广东省东莞市寮步镇仁居路1号松湖智谷研发中心A4栋1002室
abg欧博武汉分公司
地址:湖北省武汉市东湖高新区大学园路华工科技园现代服务业基地1号楼B座1101
版权所有 ? 2022 abg欧博 京ICP备18045191号-1
网站建设:中企动力 北京