Ö÷ÒªÉèÖÃ
|
Ö÷ÒªÉèÖà |
|||
|
²ÎÊý |
ÐͺŠ|
||
|
G3 Weld-30 |
|||
|
Õñ¾µ²ÎÊý |
ÈëÉä¹â°ß |
30mm |
|
|
×·ËæÎó²î |
0.58ms |
||
|
±ê¿ÌËÙÂÊ |
700mm/s |
||
|
¶¨Î»ËÙÂÊ |
3000mm/s |
||
|
1%È«ÐÐ³Ì |
1.5ms |
||
|
10%È«ÐÐ³Ì |
4.2ms |
||
|
ÖØ¸´¾«¶È |
< 10µrad |
||
|
ÔöÒæÆ¯ÒÆ |
< 30ppm/K |
||
|
ÁãÎ»Æ¯ÒÆ |
< 30µrad/K |
||
|
8Ð¡Ê±Æ¯ÒÆ |
< 0.3mrad |
||
|
·ÇÏßÐÔ¶È |
< 3.5mrad/44° |
||
| ɨÃè½Ç¶È |
±0.35rad |
||
|
ÐźŲ¨³¤ |
ͨѶ½Ó¿Ú |
XY2-100 |
|
|
¹©µç²ÎÊý |
¹©µçµçÔ´ |
±15V DC£¬5A |
|
|
»ù±¾²ÎÊý |
ÀäÈ´·½·¨ |
Ë®Àä |
|
|
ÊÂÇéÎÂ¶È |
25±10¡æ |
||
µä·¶Ó¦ÓÃ
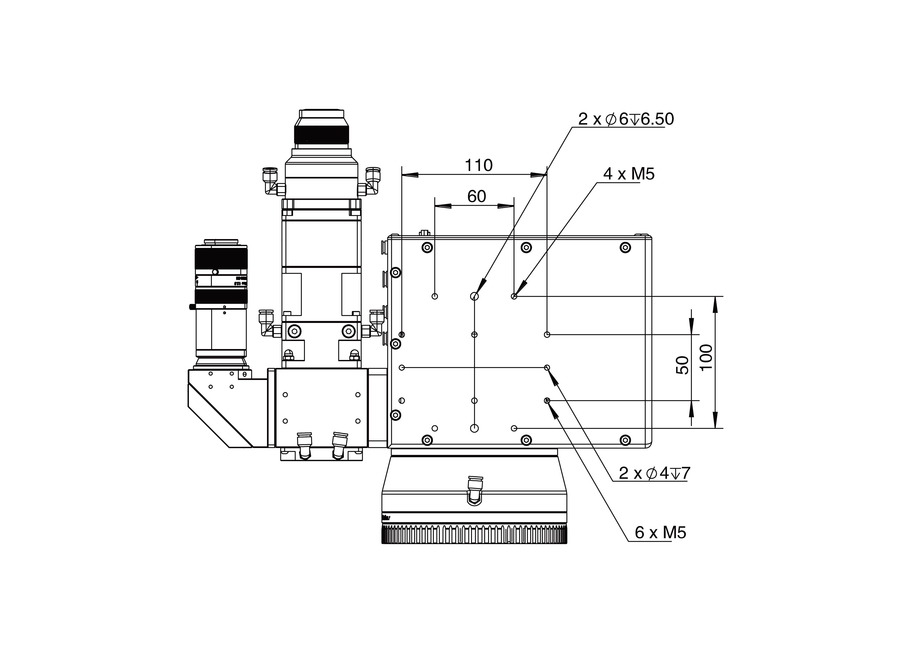
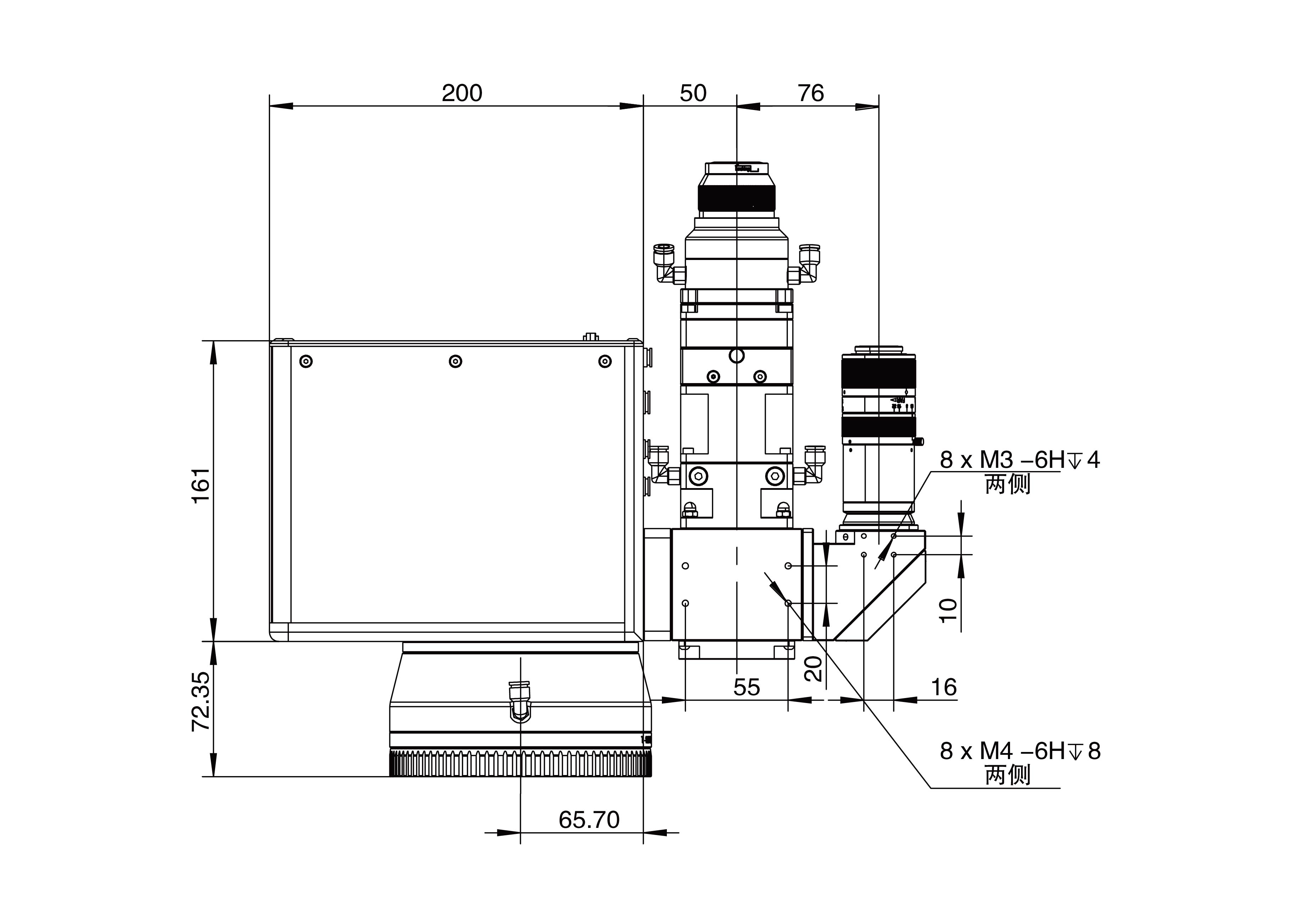
G3 Weldº¸½ÓÕñ¾µ¿ÉÓÃÓÚÐÂÄÜԴ﮵硢3Cµç×Ó¡¢Æû³µÅä¼þº¸½Ó¡¢º½¿Õº½Ìì¡¢¼¤¹âϴ媡£





*×¢: ²¿·ÖÍ¼Ô´ÍøÂ磬ÈôÓÐÇÖȨ£¬Çë¼û¸æÉ¾³ý
ÁªÏµabgÅ·²©
ÌìÏÂͳһ·þÎñÈÈÏß
µç»°£º010-64426993
ÓÊÏ䣺market@bjjcz.com
¶þ´Î¿ª·¢ÓÊÏ䣺 dev@bjjcz.com
·µÐÞ£º±±¾©ÊÐ˳ÒåÇø±±ÎñÕòÃñ̩·13ºÅÔº15ºÅÂ¥4²ã
¹ÉƱ´úÂ룺688291
΢ÐŹ«ÖÚºÅ
¶¶ÒôÆóÒµºÅ
·þÎñÖ§³Ö
abgÅ·²©
µØÖ·£º±±¾©ÊÐ˳ÒåÇø±±ÎñÕòÃñ̩·13ºÅÔº22ºÅÂ¥
ËÕÖÝabgÅ·²©¼¤¹âÊÖÒÕÓÐÏÞ¹«Ë¾
µØÖ·£º½ËÕÊ¡ËÕÖÝÊл¢ÇðÇø¿Æ¼¼³ÇÀì½Â·56ºÅ3Â¥
¹ã¶«abgÅ·²©¿Æ¼¼ÓÐÏÞ¹«Ë¾
µØÖ·£º¹ã¶«Ê¡¶«Ý¸ÊÐå¼²½ÕòÈʾÓ·1ºÅËɺþÖǹÈÑз¢ÖÐÐÄA4¶°1002ÊÒ
abgÅ·²©Î人·Ö¹«Ë¾
µØÖ·£ººþ±±Ê¡Î人Êж«ºþ¸ßÐÂÇø´óѧ԰·»ª¹¤¿Æ¼¼Ô°ÏÖ´ú·þÎñÒµ»ùµØ1ºÅÂ¥B×ù1101
°æÈ¨ËùÓÐ ? 2022 abgÅ·²© ¾©ICP±¸18045191ºÅ-1
ÍøÕ¾½¨É裺ÖÐÆó¶¯Á¦ ±±¾©